Инвертор PCS с разделительным трансформатором, обеспечивающий преобразование энергии мощностью 30 кВт, 50 кВт, 100 кВт, 250 кВт, 500 кВт.
Этот изолированный преобразователь с накопителем энергии разработан с учетом требований крупных промышленных и бытовых электростанций, таких как смещение пиковой нагрузки, резервное питание от батарей и т. д. Он поддерживает функцию параллельного подключения нескольких устройств и может удовлетворить потребности в мощности от 30 кВт до 3 МВт.
Номер товара :
30KW/50KW/100KW/150KW/250KW/500KWТип батареи :
Lithium Battery/Lead Acid BatteryБренд :
OEM/Sail SolarНоминальное напряжение :
400V/ Customized US VoltageТип охлаждения :
Forced AirПодключение к сети :
3W+N+PEКласс защиты :
IP21Сертификат :
EN 62109-1/-2, EN 62477-1, EN 61000-6-2/-6-4, NRS 097-2-1:2024, ASGCКоммуникация :
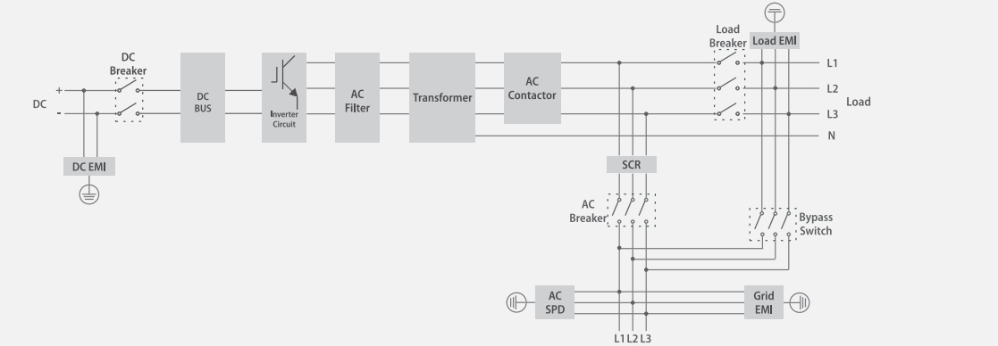
RS485/CANЭтот инвертор PCS (Power Conversion System) представляет собой инвертор с накопителем энергии, который объединяет контроллер фотоэлектрической системы, преобразователь энергии, разделительный трансформатор и блок автоматического переключения между сетевым и автономным режимами работы, что делает его хорошим вариантом для использования в солнечных энергосистемах большой мощности.

Технические характеристики
| Власть | 30 кВт | 50 кВт | 100 кВт | 150 кВт | 250 кВт | 500 кВт |
| Кондиционер (в сети) | ||||||
| Максимальная выходная мощность (кВт) | 33 | 55 | 110 | 165 | 275 | 550 |
| Номинальная выходная мощность (кВт) | 30 | 50 | 100 | 150 | 250 | 500 |
| Номинальное напряжение (В) | 400 | |||||
| Номинальный ток (А) | 320-460 | |||||
| Номинальная частота (Гц) | 50/60 | |||||
| ТХДИ | <3% | |||||
| Коэффициент мощности | 1 опережающий - 1 отстающий (разрешимо) | |||||
| Тип сетки | 3W+N+PE | |||||
| Переменный ток (автономный) | ||||||
| Номинальное напряжение (В) | 400 | |||||
| THDu | ≤1% линейной составляющей; или ≤5% нелинейной составляющей. | |||||
| Номинальная частота (Гц) | 50/60 | |||||
| Перегрузочная способность | 110% долговременный, 120% 1мин | |||||
| Батарея | ||||||
| Диапазон напряжения батареи (В) | 250-850 | 320~850 | 420~850 | 420~850 | 420~850 | 500~850 |
| Максимальный ток (А) | 137 | 178 | 270 | 405 | 673 | 1128 |
| Общие данные | ||||||
| Рабочая температура | -30 ~ 55 | |||||
| Степень защиты от проникновения влаги и пыли | IP21 | |||||
| Охлаждение | Принудительная вентиляция | |||||
| Связь BMS | RS485/CAN | |||||
| Связь EMS | RS485, TCP/IP | |||||
| Сертификаты | EN 62109-1/-2, EN 62477-1, EN 61000-6-2/-6-4, NRS 097-2-1:2024, ASGC | |||||
Описание продукта

Логика работы инвертора PCS с разделительным трансформатором разработана для обеспечения максимальной эффективности и управляемости.
Гарантированная стабильность сетиЛогика обеспечивает выходной сигнал в виде чистой синусоидальной волны.<Коэффициент нелинейных искажений 3% и широкий диапазон напряжения (320-460 В) обеспечивают защиту вашего чувствительного оборудования.
Бесперебойное электропитаниеСистема управления обеспечивает автоматический, бесперебойный переход между режимами работы от сети и автономного режима, гарантируя 100% бесперебойную работу.
Универсальная совместимостьЛогика управления обеспечивает широкий диапазон постоянного напряжения батареи (от 250 В до 850 В), поддерживая различные химические составы батарей (LiFePO4, свинцово-кислотные и т. д.).

КЛЮЧЕВЫЕ СИЛЬНЫЕ СТОРОНЫ
Встроенный разделительный трансформатор, адаптированный к ударной нагрузке.
Доступны несколько режимов работы, которые можно гибко применять в различных рабочих ситуациях.
Реактивная мощность, активная мощность регулируемая.
Поддерживает параллельное подключение нескольких машин.
Максимальная удельная мощность, максимальная эффективность достигает 97,5%.
Резервная конструкция для вспомогательного источника питания.
Послепродажное обслуживание
● Послепродажная поддержка 7/24
● 7 дней в неделю, 24 часа в сутки: Готовность немедленно реагировать и решать проблемы — приверженность Sail Solar беззаботному послепродажному обслуживанию.
● Электронная почта службы поддержки: info@sailsolaress.com
Процесс обслуживания
01
Подать заявку на обслуживание
Подавайте заявки на обслуживание в любое время по электронной почте, через онлайн-службу поддержки клиентов или мобильное приложение.
02
Быстрое реагирование
Наша служба поддержки немедленно отреагирует на ваши запросы и сообщит вам подробности проблемы.
03
Обслуживание на месте или удаленная поддержка
В зависимости от характера проблемы оказывайте техническую поддержку на месте или удаленно.
04
Решение проблем
Наша цель — полностью решить вашу проблему в течение 24 часов.
05
Следовать за
После решения проблемы наша команда продолжит работу, чтобы убедиться в вашей удовлетворенности результатами обслуживания.
Оставить сообщение
Сканировать в Wechat :
Сканировать в WhatsApp :